• office@cfmagacontruct.ro
  • Str Eroilor 48A-48B, Floresti, Cluj

Dotari Imobil

Încălzirea în pardoseală reprezintă o metodă modernă și eficientă de încălzire a locuințelor sau a altor spații, oferind multiple avantaje și un confort termic superior. Această tehnică implică încălzirea unei suprafețe mari a podelei pentru a emana căldură în mod uniform în încăpere.

Iată câteva aspecte esențiale legate de încălzirea în pardoseală:

  1. Distribuție uniformă a căldurii: Principala caracteristică a încălzirii în pardoseală este emisia uniformă a căldurii pe întreaga suprafață a podelei. Acest lucru elimină variațiile mari de temperatură dintr-o cameră și creează un mediu confortabil.

  2. Eficiență energetică: Deoarece căldura este emisă dintr-o suprafață mare, este necesar mai puțină căldură pentru a menține o temperatură confortabilă, ceea ce poate duce la economii semnificative de energie.

  3. Confort și igienă: Podeaua caldă oferă un confort extraordinar în special în timpul iernii. De asemenea, aceasta ajută la eliminarea umezelii și a mucegaiului, menținând un mediu igienic.

  4. Invisibilitate și spațiu: Încălzirea în pardoseală este invizibilă, fără elemente vizibile cum ar fi radiatoarele sau aerotermele, ceea ce eliberează spațiu și permite flexibilitate în designul interior.

  5. Versatilitate și compatibilitate cu diverse tipuri de podele: Sistemele de încălzire în pardoseală sunt compatibile cu diverse tipuri de podele, inclusiv plăci ceramice, piatră naturală, parchet, covor sau podele laminare.

  6. Control și eficiență: Noile sisteme de încălzire în pardoseală sunt adesea echipate cu termostate și sisteme de control care permit reglarea precisă a temperaturii în funcție de preferințele individuale.

Încălzirea în pardoseală reprezintă o opțiune atractivă pentru cei care doresc un confort termic sporit, eficiență energetică și un mediu igienic în locuințele lor. Este o investiție care aduce multiple beneficii și oferă un mod modern și plăcut de a încălzi spațiile interioare.

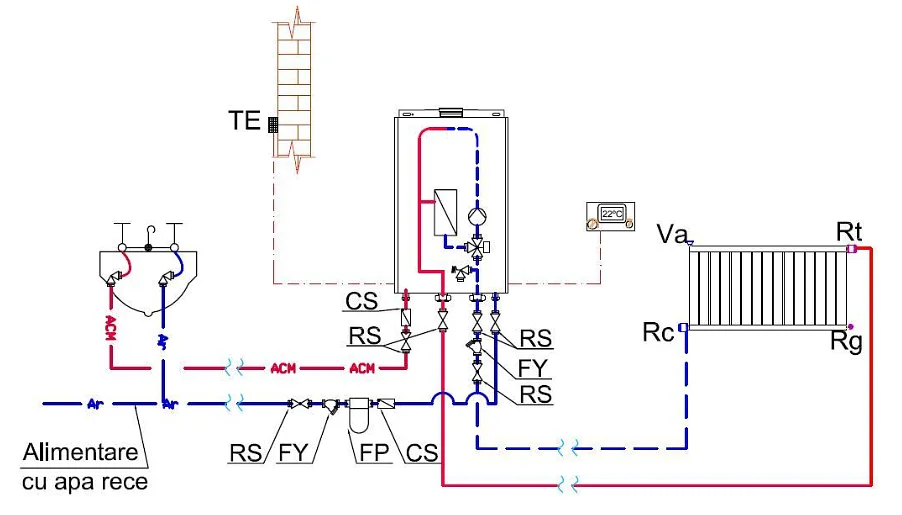
Centralele termice prin condensare sunt sisteme de încălzire eficiente care utilizează o tehnologie avansată pentru a extrage mai multă energie din combustibil în comparație cu centralele termice convenționale. Acestea funcționează prin arderea combustibilului (gaz natural, petrol etc.) pentru a genera căldură, iar apoi prin colectarea vaporilor rezultați din ardere pentru a produce energie termică.

Beneficiile principale ale centralelor termice prin condensare includ:

1. Eficiență sporită: Aceste centrale utilizează căldura latentă din vapori, ceea ce le face mult mai eficiente decât centralele tradiționale. Ele pot atinge un grad de utilizare a energiei mult mai mare, reducând costurile de funcționare.

2. Reducerea emisiilor de dioxid de carbon: Deoarece extrag o cantitate mai mare de căldură din același volum de combustibil, centralele termice prin condensare generează emisii de CO2 mai reduse în comparație cu cele convenționale.

3. Economii financiare: Datorită eficienței sporite, aceste centrale reduc costurile de încălzire ale unei locuințe sau a unei clădiri, făcându-le o opțiune economică pe termen lung.

4. Producere de apă caldă:  Multe centrale termice prin condensare pot furniza și apă caldă menajeră, oferind astfel un beneficiu suplimentar pentru gospodării.

5. Adaptabilitate și funcționare silențioasă: Aceste centrale sunt adesea compacte, ușor de instalat și funcționează în mod silențios, oferind un confort sporit utilizatorilor.

Prin comparație, centralele termice convenționale sunt mai puțin eficiente în utilizarea combustibilului și au tendința de a emite mai multe substanțe poluante în atmosferă. În timp ce investiția inițială într-o centrală termică prin condensare poate fi mai mare, beneficiile pe termen lung, atât financiare, cât și ecologice, fac din acestea o opțiune atractivă pentru încălzirea locuințelor și a clădirilor.

Accesul subteran într-o parcare degivrat oferă o serie de avantaje și o experiență plăcută atât pentru șoferi, cât și pentru proprietarii parcajului.

1. Confort și protecție împotriva intemperiilor: Accesul subteran oferă o experiență confortabilă șoferilor, protejându-i de intemperii precum ploaie, zăpadă sau căldură excesivă. În plus, elimină necesitatea curățării vehiculului de gheață sau zăpadă înainte de a pleca.

2. Securitate sporită: Parcările subterane oferă adesea un nivel mai mare de securitate, deoarece sunt mai puțin accesibile și pot fi monitorizate mai ușor. Accesul controlat și supravegherea video contribuie la un mediu mai sigur pentru mașini și șoferi.

3. Estetică și eficiență urbană: Parcările subterane contribuie la o estetică mai plăcută a zonei urbane, deoarece reduc aglomerația vehiculelor în spațiile de la suprafață. Acest lucru permite amenajarea de spații verzi, trotuare mai largi sau zone pietonale în locurile unde altfel s-ar afla mașini parcate.

4. Menținerea valorii proprietății: Proprietățile care oferă acces la parcări subterane degivrate pot fi mai atractive pentru potențialii cumpărători sau chiriași. Aceste facilități adaugă valoare și confort locuințelor sau clădirilor.

5. Confort și acces ușor: Accesul subteran degivrat poate fi o soluție convenabilă în condiții meteorologice extreme. Șoferii pot intra și ieși din parcare fără a întâmpina dificultăți legate de gheață sau zăpadă, oferindu-le o experiență mai plăcută și mai sigură.

În concluzie, accesul subteran într-o parcare degivrată aduce multiple beneficii, precum protecție împotriva intemperiilor, securitate sporită, estetică urbană îmbunătățită și facilități mai atractive pentru proprietăți. Este o soluție care adaugă confort și valoare atât șoferilor, cât și proprietarilor sau administratorilor parcajelor.

Un spațiu verde irigat reprezintă un mediu în care plantele sunt îngrijite și menținute printr-un sistem de irigație adecvat. Aceasta este o zonă în care plantele beneficiază de apă în mod regulat și controlat, ceea ce favorizează dezvoltarea lor sănătoasă.

Irigația într-un spațiu verde poate fi realizată prin diverse mijloace, cum ar fi sistemele de stropire, picurare sau prin utilizarea tehnologiilor moderne care reglează aportul de apă în funcție de necesitățile plantelor. Având în vedere importanța conservării resurselor de apă, unele sisteme moderne de irigație sunt proiectate pentru a minimiza irosirea apei, utilizând senzori pentru umiditatea solului sau prognoze meteorologice pentru a oferi doar cantitatea necesară de apă.

Beneficiile unui spațiu verde irigat sunt multiple:

1. Sănătatea plantelor: Prin asigurarea unui aport regulat de apă, plantele sunt mai sănătoase, rezistente la stresul hidric și mai puțin susceptibile la boli sau daune.

2. Estetică plăcută: Plantele care beneficiază de un sistem de irigație corespunzător se dezvoltă frumos, oferind un aspect plăcut și proaspăt spațiului verde.

3. Conservarea resurselor de apă: Sistemele moderne de irigație eficiente economisesc apă, fiind programate să ofere doar cantitatea necesară de apă fără a irosi sau suprairiga plantele.

4. Reducerea efortului uman: Un sistem de irigație automatizat reduce necesitatea udării manuale, economisind timp și efort pentru cei implicați în întreținerea spațiului verde.

5. Mediu mai plăcut: Un spațiu verde bine întreținut și irigat corespunzător oferă un mediu mai plăcut și relaxant pentru oameni, contribuind la crearea unui ambient armonios și reconfortant.

Astfel, un spațiu verde irigat nu doar aduce beneficii plantelor, ci și contribuie la îmbunătățirea calității mediului și a experienței oamenilor în acele zone.

Tâmplăria din PVC cu sticlă tripană reprezintă un sistem modern și eficient pentru ferestre și uși, utilizat în construcția clădirilor rezidențiale sau comerciale. Acest tip de tâmplărie oferă multiple beneficii datorită combinației între profilul din PVC și sticla tripană.

Iată câteva caracteristici și beneficii ale tâmplăriei din PVC cu sticlă tripană:

1. Izolare termică și fonică: Profilele din PVC sunt excelente în ceea ce privește izolarea termică, reducând pierderile de căldură și contribuind la eficiența energetică a clădirii. De asemenea, sticla tripană (formată din trei foi de sticlă separate de către spații umplute cu gaz inert) îmbunătățește izolarea termică și fonică a ferestrelor și ușilor.

2. Economii de energie: Prin reducerea pierderilor de căldură în sezonul rece și a transferului de căldură în sezonul cald, tâmplăria din PVC cu sticlă tripană contribuie la reducerea consumului de energie pentru încălzire și climatizare.

3. Reducerea condensului: Izolarea termică îmbunătățită previne apariția condensului pe sticlă în anumite condiții de temperatură și umiditate.

4. Durabilitate și întreținere redusă: Profilele din PVC sunt rezistente la coroziune, nu necesită vopsire sau întreținere specială și sunt ușor de curățat. De asemenea, sticla tripană oferă o durabilitate superioară în comparație cu geamurile obișnuite.

5. Siguranță îmbunătățită: Tâmplăria din PVC este robustă, iar sticla tripană oferă o barieră suplimentară împotriva efracției sau a loviturilor.

6. Variație și design: Există o varietate de culori, finisaje și modele disponibile pentru a se potrivi cu designul interior și exterior al clădirii.

În concluzie, tâmplăria din PVC cu sticlă tripană reprezintă o opțiune modernă și eficientă pentru ferestre și uși, oferind o combinație de izolare termică și fonică, economii de energie și o durabilitate remarcabilă, totodată contribuind la confortul și eficiența energetică a clădirilor.

Un punct de colectare a deșeurilor selectiv și subteran reprezintă o soluție inovatoare și eficientă pentru gestionarea deșeurilor în mediul urban sau în spațiile publice. Aceste puncte de colectare sunt proiectate pentru a facilita colectarea selectivă a deșeurilor și pentru a reduce impactul vizual și olfactiv al acestora în spațiile urbane.

Iată câteva aspecte importante ale unui punct de colectare a deșeurilor selectiv și subteran:

1. Colectare selectivă eficientă: Aceste puncte de colectare permit cetățenilor să arunce deșeurile în containere diferite pentru diverse tipuri de materiale reciclabile, cum ar fi hârtie, sticlă, plastic, metal etc. Acest sistem facilitează reciclarea și gestionarea responsabilă a deșeurilor.

2. Estetică urbană: Fiind amplasate subteran, aceste puncte de colectare nu sunt vizibile în mod direct în peisajul urban. Acest lucru contribuie la îmbunătățirea esteticii orașului sau a spațiului public, eliminând recipientele de gunoi vizibile la suprafață.

3. Reducerea mirosurilor și a poluării vizuale: Deșeurile fiind depozitate subteran, mirosurile neplăcute asociate cu colectarea deșeurilor sunt reduse, iar mediul este mai plăcut vizual pentru locuitori și vizitatori.

4. Eficiență operațională: Sistemele subterane de colectare a deșeurilor permit o gestionare mai eficientă a deșeurilor, reducând nevoia de colectare și golire a containerelor la suprafață, întrucât acestea au o capacitate mai mare.

5. Utilizare inteligentă a spațiului: Amplasarea subterană a containerelor pentru colectarea deșeurilor permite o mai bună utilizare a spațiului în zonele urbane sau în spațiile publice limitate, oferind mai mult loc pentru activități sau amenajări suplimentare.

Aceste puncte de colectare a deșeurilor subterane oferă un sistem eficient și ecologic pentru gestionarea deșeurilor în orașe sau în alte zone aglomerate, contribuind la promovarea reciclării, reducerea impactului vizual și olfactiv al deșeurilor și facilitând utilizarea durabilă a resurselor.

O ușă metalică de intrare este un element esențial în securizarea unei locuințe sau a unei clădiri comerciale. Aceasta este o ușă robustă, confecționată din oțel sau aliaje metalice, proiectată pentru a oferi securitate, izolare termică și durabilitate.

Iată câteva aspecte cheie și beneficii ale unei uși metalice de intrare:

1. Securitate sporită: Ușile metalice sunt cunoscute pentru rezistența lor la forțare și efracție. Materialul din care sunt fabricate oferă o barieră puternică împotriva intruziunilor nedorite sau a tentativelor de spargere.

2. Durabilitate și rezistență la intemperii: O ușă metalică de intrare este rezistentă la intemperii, fiind capabilă să reziste la schimbările de temperatură, umezeală și alte condiții atmosferice extreme, în comparație cu alte tipuri de uși.

3. Izolare termică și fonică: Multe uși metalice sunt dotate cu izolație termică suplimentară sau materiale care reduc transferul de căldură, ceea ce contribuie la eficiența energetică a locuinței.

4. Estetică și design diversificat: Ușile metalice de intrare sunt disponibile în diverse finisaje, texturi și culori pentru a se potrivi cu stilul și designul exterior al casei sau clădirii.

5. Mentenanță redusă: Spre deosebire de unele uși din alte materiale, ușile metalice necesită întreținere redusă. Ele sunt rezistente la coroziune și pot dura mulți ani fără a fi afectate semnificativ.

6. Opțiuni suplimentare de securitate: Anumite uși metalice pot fi echipate cu sisteme de închidere multiple, yale de siguranță și alte accesorii pentru a îmbunătăți nivelul de securitate.

Ușile metalice de intrare reprezintă o alegere populară datorită securității și durabilității lor. Ele oferă proprietarilor un sentiment de siguranță și reprezintă un element de primă importanță pentru protejarea locuinței sau a clădirii împotriva intruziunilor neautorizate.

Prezența unui spațiu de joacă pentru copii într-un bloc de locuințe este o caracteristică excelentă, oferind multiple beneficii rezidenților, în special familiilor cu copii mici. Acest spațiu dedicat copiilor contribuie la creșterea calității vieții și oferă un mediu sigur și distractiv pentru cei mici.

Iată câteva avantaje ale existenței unui spațiu de joacă pentru copii în cadrul unui bloc de locuințe:

1. Siguranță și supraveghere: Aceste zone de joacă sunt create special pentru copii, cu echipamente de joacă sigure și adecvate vârstei. Părinții pot supraveghea ușor activitățile copiilor lor, asigurându-se că aceștia sunt într-un mediu sigur.

2. Dezvoltare socială și fizică: Spațiile de joacă permit copiilor să interacționeze cu alți copii din vecinătate, să învețe să împartă și să socializeze, contribuind la dezvoltarea abilităților sociale. De asemenea, activitățile fizice din timpul jocului încurajează o creștere sănătoasă și echilibrată.

3. Confort și comoditate: Familiile care locuiesc în blocuri de locuințe apreciază aceste facilități aproape de casă, oferind copiilor o opțiune convenabilă pentru joacă în timpul zilei.

4. Redirecționarea activităților: Spațiile de joacă pentru copii îi încurajează să-și petreacă timpul liber într-un mod activ și creativ, în loc să se joace pe alei, în parcări sau în alte zone nesigure.

5. Diversitate și divertisment: Aceste zone de joacă pot fi dotate cu o varietate de echipamente, cum ar fi tobogane, leagăne, panouri pentru activități, oferind copiilor o gamă diversificată de opțiuni pentru a se distra și a-și petrece timpul în mod creativ.

Spațiul de joacă pentru copii în cadrul unui bloc de locuințe este o facilitate apreciată de familiile care locuiesc acolo, oferind un mediu sigur și plăcut pentru ca cei mici să se bucure de joacă și interacțiune socială în apropierea locuințelor lor.

Lifturile de ultimă generație reprezintă o evoluție tehnologică semnificativă în domeniul transportului vertical, oferind o serie de inovații și caracteristici avansate pentru a asigura o experiență mai sigură, mai eficientă și mai confortabilă pentru utilizatori.

Iată câteva aspecte cheie ale lifturilor de ultimă generație:

  1. Siguranță îmbunătățită: Aceste lifturi sunt echipate cu tehnologii avansate care asigură siguranța pasagerilor. Sistemele de supraveghere video, senzorii de siguranță și sistemele de frânare de urgență contribuie la un nivel superior de protecție.

  2. Eficiență și viteză: Tehnologiile moderne permit lifturilor de ultimă generație să ofere timpi de așteptare mai mici și viteze de deplasare mai mari. Aceasta optimizează fluxul de pasageri și reduce timpul de așteptare.

  3. Economie de energie: Aceste lifturi sunt proiectate pentru a fi mai eficiente din punct de vedere energetic. Utilizează motoare mai puțin consumatoare și sisteme de iluminare LED, reducând astfel consumul de energie.

  4. Conectivitate și control inteligent: Unele modele sunt integrate cu sisteme inteligente, permițând controlul și monitorizarea de la distanță a funcționării lor. Aceste caracteristici permit, de asemenea, analiza datelor și efectuarea de întrețineri preventive.

  5. Confort și design modern: Lifturile de ultimă generație sunt proiectate să ofere un nivel înalt de confort. Interioarele spațioase, materialele de calitate și designul ergonomic sunt concepute pentru a oferi o experiență plăcută utilizatorilor.

  6. Adaptabilitate la nevoi specifice: Aceste lifturi sunt capabile să se adapteze la cerințele specifice ale diferitelor clădiri, de la clădiri rezidențiale la cele de birouri sau comerciale, oferind soluții personalizate.

Lifturile de ultimă generație reprezintă un pas semnificativ în evoluția tehnologiei în domeniul transportului vertical. Ele oferă nu doar o deplasare eficientă și rapidă, ci și un nivel înalt de siguranță și confort pentru pasageri.

0748607055
Telefon

Hai să ne cunoaștem